CarFixin.com - Vehicle restoration tips, tricks, and tutorials
Home
Glossary of Terms
Guides & Tutorials
 

CarFixin Tutorials
Paint Scratch Repair
Paintless Scratch Repair
Restore Headlight Lenses

CarFixin Resources
Glossary of Terms

Coming Soon to CF...
• Discussion Forums
• More Guides & Tutorials
• Paint Codes
 
   
CarFixin's Files
Installation Manuals, Owners Manuals, Tech Tips and Diagrams

Disclaimer: *All information on this site is provided "as is" without any warranty of any kind, either expressed or implied, including but not limited to fitness for a particular use. Any user assumes the entire risk as to the accuracy and use of this information.

 Browse by category
 
   Or enter a search term
All Words  Any Words 
 
Displaying all files.
(displaying 411 - 420 of 437 files found)
 
    Name/Description Date Added Size 
411   Priority Door Lock Relay   Download Now 12/17/2002 8 KB
  Add priority door locks to a system that does not have this option with the use of 3 relays.
DOUBLE_PULSE_DOOR_SYSTEM.gif
 
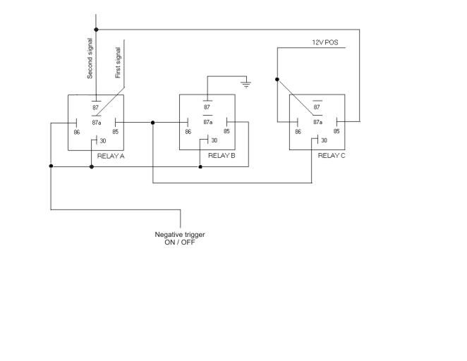
412   Single Wire Lock / Unlock   Download Now 8/28/2006 13 KB
  Shows how to do lock / unlock using a single channel from security system. This circuit uses three relays and be warned that it consumes current once the circuit is latched. Output labled FIRST should be used for lock whereas SECOND for unlock.
SingleWireLatchOnOff.jpg
 
413   Toyota FJ Cruiser   Download Now 3/22/2007 3.1 MB
  Security/Remote Start Wiring w/Pix
Toyota FJ.rar
 
414   Toyota Sequoia - 2001   Download Now 5/9/2002 72 KB
  Door Lock/Unlock connections in a 2001 Toyota Sequoia
2001SequoiaLocks.pdf
 
415   Toyota/Lexus Door Lock Integration   Download Now 10/21/2007 70 KB
  Audiovox's Toyota/Lexus Door lock integration tech note. Equivalent to DEI's 1070.
Toyota Lock Integration.pdf
 
    Name/Description Date Added Size 
416   Transponder Bypass   Download Now 5/1/2002 222 KB
  Bypassing transponder equipped vehicles. Shown with Audiovox remote start.
FactTrans.pdf
 
417   Transponder Bypass with Key and Relay   Download Now 2/5/2007 222 KB
  Please see the following forum topic: http://www.the12volt.com/installbay/forum_posts.asp?TID=90057&PN=0&TPN=1
FactTrans(1).pdf
 
418   1994 Cadillac Fleetwood Radio   Download Now 1/30/2007 41 KB
 
1994 Cadillac Fleetwood Radio.pdf
 
419   1999 Buick Park Avenue Radio/Amp   Download Now 9/15/2006 240 KB
  1999 Buick Park Avenue Radio/Amp
99 Park Ave Radio Amp(1).pdf
 
420   2002 Pontiac Sunfire   Download Now 11/2/2006 151 KB
  4 different radio types
Sunfire Radio.pdf
 


Page:  1 2 3 4 5 6 7 8 9 10 11 12 13 14 15 16 17 18 19 20 21 22 23 24 25 26 27 28 29 30 31 32 33 34 35 36 37 38 39 40 41 42 43 44  

 Browse by category
 
   Or enter a search term
All Words  Any Words 
 
 
Disclaimer: *All information on this site is provided "as is" without any warranty of any kind, either expressed or implied, including
but not limited to fitness for a particular use. Any user assumes the entire risk as to the accuracy and use of this information.

Copyright © 2008 CarFixin.com - Today is Tuesday, January 6, 2026
Home
Glossary of Terms
Guides & Tutorials